离心式通风机-碳钢离心风机-广州市万通通风设备有限公司

上一页下一页

联系我们

名称:广州市万通通风设备有限公司 电话: 手机: 传真: 邮箱:wantongfj@qq.com 网址: 地址:广州市番禺区沙湾镇动车街33号之二

离心式通风机

您的位置: 首页 产品中心 碳钢离心风机
产品详情
联系我们
  • 4-72C型离心通风机

    4-72C型离心式通风机可输送空气和其它不自燃的、对人体无害的、对钢材无腐蚀性的气体。气体内不允许有粘性物质,所含尘土及硬质颗粒物不大于150mg/m3。气体温度不得超过80℃该风机广泛适用于工矿企业、大型建筑物、宾馆酒楼等室内通风换气排烟。
    产品型式:本公司号有NO2.8、3.2、3.6、4、4.5、5、5.6、6、6.3、7.1、8、10、12十三种。可制成右旋和左旋两种型式,叶轮顺时针旋转,称为右旋风机。以“右”表示,叶轮逆时针旋转,称为左旋风机,以“左”表示。风机的出口位置,以机壳的出风角度表示。4-72NO2.8-10出厂时均做成多种型式,可根据使用单位要求安装成所需的位置,即出风口位置调整范围0°~225°间隔是22.5°或45°,即(0°、45°、90°、135°、180°、225°)共六种。NO7.1-10根据用户需求制成一种方向角度。风机的传动方式为C式。
    结构特点:本风机主要由叶轮、机壳、进风口、机架、轴承箱等皮带传动而组成。叶轮:由10个后倾斜的机翼型叶片、曲线型前盘和平板后盘组成。并经过动平衡校正,气动性能,故运转平衡、振动小、效率高、寿命长等特点。机壳:用钢板焊成蜗型壳体。进风口:制成整体(全部模具成型),装于风机的侧面,于轴向平行的戴面未曲线形状,能使气体顺利进入叶轮,且损失较小。传动组:由主轴、轴承箱、联轴器等。主轴由优质钢制成,轴承箱整体结构,采用滚动轴承,分为水冷和油冷两种。
  • 4-72C centrifugal fan

    4-72C centrifugal fan can transport air and other non-self-igniting, harmless to the human body, non-corrosive to steel. No viscous substances are allowed in the gas, and the dust and hard particles contained in the gas are not more than 150 mg/m3. The gas temperature should not exceed 80 °C. The fan is widely used in industrial ventilation enterprises, large buildings, hotel restaurants and other indoor ventilation and smoke exhaust. Product type: The company has NO2.8, 3.2, 3.6, 4, 4.5, 5, 5.6, 6, 6.3, 7.1, 8, 10, 12 and thirteen. It can be made into two types: right-handed and left-handed. The impeller rotates clockwise and is called a right-handed fan. Expressed as "right", the impeller rotates counterclockwise, called the left-handed fan, and is represented by "left". The exit position of the fan is expressed by the air outlet angle of the casing. 4-72NO2.8-10 is made into various types at the factory, and can be installed to the required position according to the requirements of the unit of use. That is, the position of the air outlet is adjusted from 0° to 225°, and the interval is 22.5° or 45°, that is (0 There are six kinds of °, 45°, 90°, 135°, 180°, and 225°. NO7.1-10 is made into a direction angle according to user requirements. The fan is driven in the C mode. Structural features: The fan is mainly composed of impeller, casing, air inlet, frame, bearing box and other belt transmission. Impeller: consists of 10 rear-tilted airfoil blades, curved front discs and flat rear discs. After dynamic balance correction and aerodynamic performance, it has the characteristics of balanced operation, small vibration, high efficiency and long service life. Housing: welded with a steel plate into a volute casing. Air inlet: made into a whole (all mold molding), installed on the side of the fan, the axially parallel wear surface has no curved shape, which enables the gas to smoothly enter the impeller with less loss. Transmission group: from the main shaft, bearing housing, coupling and so on. The main shaft is made of high-quality steel. The overall structure of the bearing housing is made of rolling bearings and is divided into water-cooling and oil-cooling.
机 号
Model(NO)
转 速
Speed(r/min)
功 率
Power(KW)
机座号
Poles frame size-p
流 量
Volume(M3/h)
全 压
Total pressure(pa)
2.8A 2600 0.75-2 Y80M-2 1174-1800 776-619
2200 0.37-2 Y71M-2 994-1522 556-443
1800 0.25-2 Y63M-2 813-1245 372-296
3.2 2600 1.1-2 Y80M-2 1753-2686 1015-808
2200 0.75-2 Y80M-2 1483-2273 726-579
1800 0.55-2 Y71M-2 1213-1860 486-387
3.6 2600 2.2-2 Y90L-2 2730-4085 1230-1009
2200 1.5-2 Y90S-2 2310-3434 881-723
1800 0.75-2 Y80M-2 1890-2810 590-483
4 2600 3.0-2 Y100L-2 4040-5345 1582-1384
2300 2.2-2 Y90L-2 3573-5491 1238-917
2000 1.5-2 Y90S-2 3107-4775 936-694
1700 1.1-2 Y80M-2 2641-4058 676-501
4.5A 2600 5.5-2 Y132S-2 5752-8839 2007-1486
2300 4.0-2 Y112M-2 5088-7819 1570-1163
2000 3.0-2 Y100M-2 4428-6788 1187-879
1700 2.2-2 Y90M-2 3761-5779 858-635
5 2600 11.0-2 Y160M-2 7938-12845 2527-1876
2300 7.5-2 Y132S-2 7022-11363 1978-1468
2000 5.5-2 Y132S-2 6106-9881 1495-1110
1700 3.0-2 Y100L-2 5190-8399 1080-802
5.6 2600 15.0-2 Y160M-2 9734-19466 3213-2035
2300 11.0-2 Y160M-2 8610-17220 2514-1593
2000 7.5-2 Y132S-2 7487-14974 1901-1204
1700 5.5-4 Y132S-4 6364-12728 1373-870
1400 3.0-4 Y100M-4 5242-10482 937-590
6 2240 15.0-2 Y160M-2 10314-20628 2734-1733
2000 11.0-2 Y160M-2 9209-18418 2176-1380
1800 7.5-4 Y132M-4 8288-16576 1790-1116
1600 5.5-4 Y132S-4 7367-14734 1689-881
1250 3.0-4 Y100L-4 5756-11511 846-537
1120 2.2-4 Y100L-4 5157-10314 679-431
900 1.5-4 Y90L-4 4144-8288 438-278
800 1.1-4 Y90S-4 3684-7367 346-220
6.3 2200 18.5-2 Y160L-2 15342-21474 2908-2303
1900 11.0-2 Y160M-2 13250-18546 2169-1718
1600 7.5-2 Y132S-2 11158-15618 1538-1218
1300 4.0-4 Y112M-4 9066-12689 1015-804
1000 2.2-4 Y100L-4 6793-9761 600-475
700 0.75-4 Y80M-4 4881-6833 294-233
7.1 1800 18.5-4 Y180M-4 15736-25265 2422-1801
1600 15.0-4 Y160L-4 13987-22635 1914-1423
1450 11.0-4 Y160M-4 12676-20513 1572-1168
1200 5.5-4 Y112M-4 10490-16976 1076-800
960 3.0-4 Y100L-4 8392-13581 689-512
700 1.5-4 Y160L-4 6119-9903 366-272
8 1800 30.0-2 Y200L-2 8392-13581 689-512
1800 37.0-2 Y200L-2 28105-36427 2920-2302
1600 22.0-2 Y180M-2 17463-22435 2478-2390
1600 30.0-2 Y160L-2 24982-32380 2303-1816
1250 11.0-4 Y160M-4 13643-25297 1507-1106
1120 7.5-4 Y132M-4 1224-15705 1209-1166
1120 11.0-4 Y60M-4 17487-22666 1124-887
1000 5.5-4 Y112M-4 10914-14022 963-929
1000 7.5-4 Y132M-4 15614-20237 895-707
900 4.0-4 Y112M-4 9823-12620 779-752
900 5.5-4 Y112M-4 14052-18213 725-572
800 3.0-4 Y100L-4 8732-16190 615-452
710 3.0-4 Y100L-4 7749-14368 485-356
10 1250 37.0-4 Y225S-4 34863-48797 2373-1877
1120 30.0-4 Y200L-4 31237-43722 1902-1505
1000 18.5-4 Y180M-4 27890-39038 1514-1199
900 15.0-4 Y160L-4 25101-35134 1225-970
800 11.0-4 Y160M-4 22312-31230 967-766
710 7.5-4 Y132M-4 19802-27717 791-603
630 5.5-4 Y112M-4 17571-24594 599-475
560 4.0-4 Y112M-4 15618-21861 473-375
12 1120 75.0-4 Y280S-4 53978-75552 2746-2172
1000 45.0-4 Y225M-4 48195-60397 2185-1969
1000 55.0-4 Y250M-4 63953-67457 1859-1729
900 37.0-6 Y250M-6 43375-60712 1767-1399
800 22.0-6 Y200L-6 38556-41973 1395-1376
800 30.0-6 Y225M-6 45391-53966 1321-1104
710 18.5-6 Y200L-6 34218-47895 1097-869
630 15.0-6 Y180L-6 30362-42498 863-684
560 7.5-6 Y160M-6 26989-29381 682-673
560 11.0-6 Y160L-6 31774-37776 646-540
500 7.5-6 Y160M-6 24097-33728 543-430

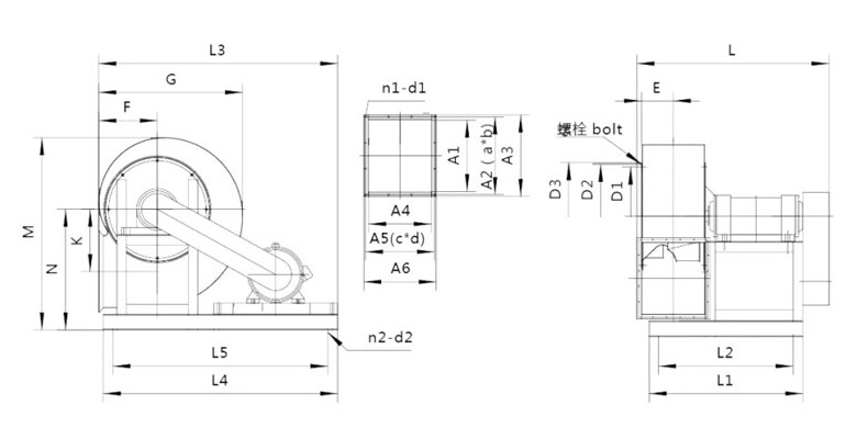
外形及安装尺寸示意图 Lnstallation size diagram



产品为人工实物测量会有一定误差,相关数据仅作参考,以收到的实物为准。 单位Unit: mm(毫米)

机 号
进风口尺寸 Air inlet 出风口尺寸 Vent
NO D1 D2 D3 螺栓 个数 A1 A2 A3 A4 A5 A6 a*b c*d n1-d1
2.8 282 310 333 M6 8 228 259 286 200 228 260 64*4 77*3 14-Φ11
3.2 325 352 370 M6 8 255 286 313 218 247 280 74*4 84*3 14-Φ11
3.6 368 387 413 M8 16 294 324 352 250 278 310 81*4 70*4 16-Φ11
4 409 437 460 M8 16 329 360 388 285 315 340 72*5 79*4 18-Φ11
4.5 446 492 515 M8 16 363 395 422 320 348 380 78*5 88*4 18-Φ11
5 500 540 565 M8 16 405 435 464 356 384 416 109*4 97*4 18-Φ11
5.6 562 593 624 M8 16 450 497 531 370 422 485 80*6 88*5 18-Φ11
6 603 640 660 M8 16 483 532 563 427 478 508 106.4*5 95.6*5 20-Φ11
6.3 640 667 698 M8 16 494 542 566 441 485 509 108*5 97*5 20-Φ11
7.1 730 755 795 M8 16 568 621 662 497 554 593 125*5 110*5 20-Φ11
8 810 856 885 M10 16 640 700 746 560 625 669 140*5 125*5 20-Φ11
10 1000 1065 1095 M10 16 800 860 906 700 765 809 172*5 153*5 28-Φ12

机号
外形及安装尺寸 Shape and installation dimensions
Model G M F N K E L L1 L2 L3 L4 L5 N1-d1
2.8 477 600 210 350 197 174 700 470 438 970 898 890 14-Φ11
3.2 546 670 236 400 230 195 720 470 438 970 898 890 14-Φ11
3.6 599 752 253 450 253 222 760 470 438 970 898 890 16-Φ11
4 680 810 295 500 312 251 828 560 528 1080 958 990 18-Φ11
4.5 756 925 327 570 354 312 865 560 528 1080 958 990 18-Φ11
5 825 1040 343 625 354 354 1018 560 528 1080 958 990 18-Φ11
5.6 916 1130 384 680 390 394 1056 560 528 1080 958 990 18-Φ11
6 980 1210 408 745 420 385 1089 640 608 1080 1168 1200 20-Φ11
6.3 1017 1300 432 790 440 411 1154 640 608 1300 1168 1200 20-Φ11
7.1 1202 1450 522 880 798 500 1307 1170 1130 1730 1590 1630 20-Φ11
8 1286 1815 582 1080 565 284 1556 1420 1380 1780 1600 1680 20-Φ11
10 1589 2195 687 1300 700 350 1656 1550 1510 1880 1740 1780 28-Φ12

欢迎进入“万通风机”官方网站

Welcome to Wantong Xingfeng official website

万通风机

广州市万通通风设备有限公司

广州市万通通风设备有限公司(注册商标:万通星风)是一家研发、生产、销售、安装通风设备、大气污染防治设备的多元化专业性企业。产品广泛用于:电镀、化工、电子、电气、线路板、机械、电站、电厂、科研、医院、实验室、矿业、冶炼、橡胶、林业、皮革、纸业、陶瓷、模具车间、汽车制造,新能源机械等配套以及各种含有腐蚀性气体的场合。每一个产品都见证了万通的品质,让万通立足全国,走向世界!经过十几年发展“万通星风”已汇聚了一群技术精湛,经验丰富的专业技术人员,引进消化国内外先进技术,是国内拥有自主研发大气污染防治设备、防腐风机能力的厂家。“国际品质、万通打造”

全国服务热线:


广州总公司

Guangzhou General Corporation

销售电话:    

官方网址:

电子邮箱:wantongfj@qq.com

在线QQ客服:万通在线客服 万通在线客服

地址:广州市番禺区沙湾镇动车街33号之二

路线:广州地铁3号线到番禺广场站下,换乘公交车番68路、到古东村总站下。


公司地图


Company map

 
关键词:

咨询:4-72型离心式通风机

* 为必填项

  • *
江西离心式通风机厂家 西藏离心式通风机型号 安徽离心式通风机报价 东南亚离心式通风机价格 湖北离心式通风机分类 北京离心式通风机哪家好 湖南离心式通风机批发 内蒙古离心式通风机定制 浙江离心式通风机系列 江苏离心式通风机品牌 新疆离心式通风机牌子 湖北离心式通风机应用 湖北离心式通风机生产 内蒙古离心式通风机排名 辽宁离心式通风机供应商 湖南离心式通风机订制 吉林离心式通风机工艺流程 安徽离心式通风机多少钱 甘肃离心式通风机质量 广东离心式通风机生产厂家 海南离心式通风机生产厂 山西离心式通风机图纸怎么看 新疆离心式通风机产品 黑龙江离心式通风机标准 北京离心式通风机优势 海南离心式通风机画册 广东离心式通风机名称 内蒙古离心式通风机用途 甘肃离心式通风机企业 辽宁离心式通风机功能 山东离心式通风机属性 海南离心式通风机简介 浙江离心式通风机新产品 陕西离心式通风机万通造 北京离心式通风机选型 广西离心式通风机规格 陕西离心式通风机样本 广西离心式通风机技术 河北离心式通风机新闻 广东离心式通风机报价单 陕西离心式通风机参数 吉林离心式通风机行业 上海离心式通风机好东西! 辽宁离心式通风机销售 西藏离心式通风机样品 广西离心式通风机用什么做的? 上海离心式通风机哪个牌子好 四川离心式通风机设计方案 陕西离心式通风机哪家信誉好 海南离心式通风机直销 福建离心式通风机生产工艺 广东离心式通风机外观 江西离心式通风机优点 天津离心式通风机特点 天津离心式通风机有限公司 浙江离心式通风机安装图 上海离心式通风机名称 河北离心式通风机销售网站 青海离心式通风机厂家排名 江西离心式通风机外壳 江西离心式通风机叶片 江西离心式通风机风轮 甘肃离心式通风机尺寸 广东离心式通风机说明书 江苏离心式通风机检测报告 西藏离心式通风机图纸 上海离心式通风机图片 湖北离心式通风机用途 新疆离心式通风机维修 四川离心式通风机更换 云南离心式通风机品种 海南离心式通风机改良 重庆离心式通风机噪音 新疆离心式通风机启动 山东离心式通风机运转 河南离心式通风机推荐 陕西离心式通风机那家便宜 山西离心式通风机那家质量好 东南亚离心式通风机电话咨询 内蒙古离心式通风机标准 辽宁离心式通风机哪家靠谱 浙江离心式通风机是什么? 广西离心式通风机哪家有实力 内蒙古离心式通风机哪家正规 黑龙江离心式通风机大厂 重庆离心式通风机推广 云南离心式通风机哪家实惠 云南离心式通风机哪里专业 四川离心式通风机电话多少 湖北离心式通风机电话号码 四川离心式通风机哪家值得信赖 陕西离心式通风机你知道吗? 山东离心式通风机专业定制 青海离心式通风机哪家强 河南离心式通风机免费咨询 山东离心式通风机寿命 河南离心式通风机包装 内蒙古离心式通风机设备 四川离心式通风机使用情况 重庆离心式通风机调整 青海离心式通风机配套 江西离心式通风机有什么用 贵州离心式通风机服务热线 海南离心式通风机怎么做?

返回顶部

留言板

广州市万通通风设备有限公司

在线咨询

ONLINE CONSUL TATION