不锈钢多翼式风机-不锈钢离心风机-广州市万通通风设备有限公司

上一页下一页

联系我们

名称:广州市万通通风设备有限公司 电话: 手机: 传真: 邮箱:wantongfj@qq.com 网址: 地址:广州市番禺区沙湾镇动车街33号之二

不锈钢多翼式风机

您的位置: 首页 产品中心 不锈钢离心风机
产品详情
联系我们
  • WT-CF-II多翼式不锈钢离心通风机

    WT-CF-II多翼式不锈钢离心风机是本公司为适应日益发展的净化工业及环保降噪的需要而设计制作的。风机在设计时采用噪声、效率等各项气动参数的多目标优化设计方法,实现了整机的最佳性能匹配。具有良好的气动性能,叶轮经严格的动平衡较正,故运转平稳、噪声低、流量大、振动小、寿命长等特点。广泛适用于单位食堂、宾馆酒楼饮食店等公共场所的厨房排风、抽>自烟或通风换气之用,并适宜在粮食机械、化工机械、塑料机械等生产设备上使用。用途广泛,适应性强。
  • Multi-wings low noise centrifugal fan

    DZ low-nolse mult-wing centrifugal fan Is designed to meet thegrowing needs of the purification industry and environmental noisereduction The fan uses mut-objective optimization design methodcombin ing to the noise, efficiency and other aerodynamic parame-ters, wh ich a ims to achleve the best performance. It has good aerody-namicperformance, stridcoftmeooperation, low noise, large fow, small vibration, long life and otheradvantages. It is widely used in the unit canteen, hotel Rstaurantrestaurants and other publlc places for kitchen exhausting. pumpingor ventiation. and Is also sultable for food machinery, chemicalmachinery. plastcmachianrqthe advantages of widely use and strong adaptability.
机 号
Model(No)
转 速
Speed(r/min)
功 率
Power(Kw)
机座号
Poles frame size-p
流 量
Volume(M3/h)
全 压
Total pressure(pa)
160 2900 0.37-2 Y71M-1 800-1080 900-700
190 1450 0.25-4 Y71M-4 900-1080 280-210
2900 0.75-2 Y80M-2 850-770 840-760
200 2900 1.1-2 Y80M-2 860-790 850-780
230 14500 0.37-4 Y71M-4 1500 360
2900 1.5-2 Y90S-2 3500 1250
250 14500 0.55-4 Y80M-4 2200-2500 450-380
2900 2.2-2 Y90L-2 2700-4200 1470-1270
2900 3-2 Y100M-2 3500-4300 1500-1350
270 14500 0.75-4 Y80M-4 3200 410
2900 5.5-2 Y132S-2 5440 1640
300 1450 1.5-4 Y90L-4 4000-4500 550-500
350 960 1.1-6 Y90L-6 3600-4300 350-260
1450 3-2 Y100L-2 5100-6700 1200-1000
400 1450 2.2-6 Y112M-6 9000-11000 600
450 960 3-6 Y132S-6 10800 900-700
1450 7.5-4 Y132M-4 1200-14000 1100-1000
500 960 5.5-6 Y132M-6 10000-14000 740-670
960 7.5-6 Y160M-6 12500-16500 900-790
600 960 7.5-6 Y160M-6 19500-20500 910-790
960 11-6 Y160L-6 20500-21800 1050-900

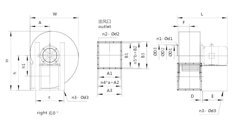
外形及安装尺寸示意图 Lnstallation size diagram


产品为人工实物测量会有一定误差,相关数据仅作参考,以收到的实物为准。 单位Unit: mm(毫米)

机号
配用电机 A W C D E F h1 L h H
Model

Equipped with motor

0度/180 90度 0度 90度 180度 0度 90度 180度
160 0.37-2 132 281 323 190 30 100 83 117 347 205 160 138 332 292 333
190 0.25-4 152 338 397 210 30 120 104 143 386 250 200 172 408 352 410
0.75-2 424
200 1.1-2
230 0.37-4 183 397 458 230 30 120 110 157 397 285 230 198 467 413 437
1.5-2 445
250 0.55-4 200 436 495 230 40 120 150 110 161 435 305 250 215 502 453 511
2.2-2 470
3-2 505
270 0.75-4 213 464 432 260 40 120 120 165 460 330 270 232 543 493 549
5.5-2 230 180 595
300 1.5-4 238 517 588 350 40 150 135 182 520 365 300 258 602 538 608
350 1.1-6 263 589 681 230 40 120 135 226 520 415 350 301 691 63 704
3-2 230 120 555
400 2.2-6 283 655 774 260 40 150 142 279 584 480 400 344 796 683 801
450 3-6 315 734 867 300 40 180 175 332 690 535 450 387 890 765 897
7.5-4 350 220 730
500 5.5-6 353 818 970 350 40 220 241 338 861 600 500 430 995 853 1003
7.5-6
600 7.5-6 438 996 1156 410 50 250 241 405 936 705 600 516 1179 1038 1196
11-6 300 981

机号
配用电机 进风口尺寸 Air inlet 出风口尺寸 Vent
Model Equipped
with motor
D1 D2 D3 n1-d1 A1 A2 n4*a A3 B1 B2

n5*b

B3 n2-Φd2 n3-Φd3
160 0.37-2 110 135 160 8-Φ8 90 116 2*58 140 105 130 2*65 155 8-Φ8 4-Φ10
190 0.25-4 140 165 190 8-Φ8 125 150 2*75 175 140 166 2*83 190 8-Φ8 4-Φ10
200 0.75-2
230 1.1-2 170 200 230 8-Φ8 135 166 2*83 195 175 206 2*103 235 8-Φ8 4-Φ10
0.37-4
250 0.55-4 190 220 250 8-Φ8 135 166 2*83 195 210 240 3*80 270 10-Φ8 4-Φ10
2.2-2
3-2
270 3-2 220 250 280 8-Φ8 165 200 2*100 225 245 279 3*93 305 10-Φ8 4-Φ10
0.75-4
300 5.5-2 220 250 280 8-Φ8 185 200 2*110 245 275 309 3*103 335 10-Φ8 4-Φ10
1.5-4
350 1.1-6 270 300 330 8-Φ8 185 220 2*110 245 295 330 3*110 355 10-Φ8 4-Φ10
3-4
400 4-4 300 330 360 8-Φ8 200 236 2*118 260 295 330 3*110 355 10-Φ10 4-Φ12
400 2.2-6
450 3-6 330 365 400 8-Φ10 245 280 2*140 305 295 330 3*110 355 10-Φ10 4-Φ12
7.5-4
500 5.5-6 360 395 430 8-Φ10 375 420 2*140 455 390 435 3*145 470 12-Φ10 4-Φ12
7.5-6
550 5.5-6 400 435 470 8-Φ10 375 420 2*140 455 470 510 3*170 550 12-Φ10 4-Φ12
7.5-6
600 7.5-6 500 535 570 8-Φ10 375 420 2*140 455 470 510 3*170 550 12-Φ10 4-Φ15
11-6 4-Φ15

欢迎进入“万通风机”官方网站

Welcome to Wantong Xingfeng official website

万通风机

广州市万通通风设备有限公司

广州市万通通风设备有限公司(注册商标:万通星风)是一家研发、生产、销售、安装通风设备、大气污染防治设备的多元化专业性企业。产品广泛用于:电镀、化工、电子、电气、线路板、机械、电站、电厂、科研、医院、实验室、矿业、冶炼、橡胶、林业、皮革、纸业、陶瓷、模具车间、汽车制造,新能源机械等配套以及各种含有腐蚀性气体的场合。每一个产品都见证了万通的品质,让万通立足全国,走向世界!经过十几年发展“万通星风”已汇聚了一群技术精湛,经验丰富的专业技术人员,引进消化国内外先进技术,是国内拥有自主研发大气污染防治设备、防腐风机能力的厂家。“国际品质、万通打造”

全国服务热线:


广州总公司

Guangzhou General Corporation

销售电话:    

官方网址:

电子邮箱:wantongfj@qq.com

在线QQ客服:万通在线客服 万通在线客服

地址:广州市番禺区沙湾镇动车街33号之二

路线:广州地铁3号线到番禺广场站下,换乘公交车番68路、到古东村总站下。


公司地图


Company map

 
关键词:

咨询:WT-CF-II型不锈钢多翼式风机

* 为必填项

  • *
西藏不锈钢多翼式风机厂家 其它不锈钢多翼式风机型号 贵州不锈钢多翼式风机报价 福建不锈钢多翼式风机价格 福建不锈钢多翼式风机分类 广东不锈钢多翼式风机哪家好 湖北不锈钢多翼式风机批发 山东不锈钢多翼式风机定制 吉林不锈钢多翼式风机系列 福建不锈钢多翼式风机品牌 山东不锈钢多翼式风机牌子 吉林不锈钢多翼式风机应用 广东不锈钢多翼式风机生产 东南亚不锈钢多翼式风机排名 甘肃不锈钢多翼式风机供应商 上海不锈钢多翼式风机订制 河北不锈钢多翼式风机工艺流程 湖南不锈钢多翼式风机多少钱 青海不锈钢多翼式风机质量 云南不锈钢多翼式风机生产厂家 湖南不锈钢多翼式风机生产厂 安徽不锈钢多翼式风机图纸怎么看 东南亚不锈钢多翼式风机产品 天津不锈钢多翼式风机标准 青海不锈钢多翼式风机优势 辽宁不锈钢多翼式风机画册 江苏不锈钢多翼式风机名称 河北不锈钢多翼式风机用途 黑龙江不锈钢多翼式风机企业 陕西不锈钢多翼式风机功能 宁夏不锈钢多翼式风机属性 黑龙江不锈钢多翼式风机简介 上海不锈钢多翼式风机新产品 内蒙古不锈钢多翼式风机万通造 河北不锈钢多翼式风机选型 甘肃不锈钢多翼式风机规格 东南亚不锈钢多翼式风机样本 云南不锈钢多翼式风机技术 内蒙古不锈钢多翼式风机新闻 湖北不锈钢多翼式风机报价单 青海不锈钢多翼式风机参数 云南不锈钢多翼式风机行业 新疆不锈钢多翼式风机好东西! 黑龙江不锈钢多翼式风机销售 东南亚不锈钢多翼式风机样品 西藏不锈钢多翼式风机用什么做的? 内蒙古不锈钢多翼式风机哪个牌子好 福建不锈钢多翼式风机设计方案 安徽不锈钢多翼式风机哪家信誉好 贵州不锈钢多翼式风机直销 山东不锈钢多翼式风机生产工艺 贵州不锈钢多翼式风机外观 上海不锈钢多翼式风机优点 贵州不锈钢多翼式风机特点 云南不锈钢多翼式风机有限公司 山西不锈钢多翼式风机安装图 山西不锈钢多翼式风机名称 西藏不锈钢多翼式风机销售网站 广东不锈钢多翼式风机厂家排名 黑龙江不锈钢多翼式风机外壳 江西不锈钢多翼式风机叶片 贵州不锈钢多翼式风机风轮 陕西不锈钢多翼式风机尺寸 青海不锈钢多翼式风机说明书 黑龙江不锈钢多翼式风机检测报告 河北不锈钢多翼式风机图纸 甘肃不锈钢多翼式风机图片 贵州不锈钢多翼式风机用途 宁夏不锈钢多翼式风机维修 宁夏不锈钢多翼式风机更换 河南不锈钢多翼式风机品种 广西不锈钢多翼式风机改良 湖北不锈钢多翼式风机噪音 北京不锈钢多翼式风机启动 内蒙古不锈钢多翼式风机运转 浙江不锈钢多翼式风机推荐 黑龙江不锈钢多翼式风机那家便宜 重庆不锈钢多翼式风机那家质量好 湖南不锈钢多翼式风机电话咨询 山西不锈钢多翼式风机标准 海南不锈钢多翼式风机哪家靠谱 海南不锈钢多翼式风机是什么? 浙江不锈钢多翼式风机哪家有实力 新疆不锈钢多翼式风机哪家正规 宁夏不锈钢多翼式风机大厂 河北不锈钢多翼式风机推广 广西不锈钢多翼式风机哪家实惠 云南不锈钢多翼式风机哪里专业 甘肃不锈钢多翼式风机电话多少 吉林不锈钢多翼式风机电话号码 广西不锈钢多翼式风机哪家值得信赖 其它不锈钢多翼式风机你知道吗? 山西不锈钢多翼式风机专业定制 东南亚不锈钢多翼式风机哪家强 甘肃不锈钢多翼式风机免费咨询 河南不锈钢多翼式风机寿命 内蒙古不锈钢多翼式风机包装 陕西不锈钢多翼式风机设备 黑龙江不锈钢多翼式风机使用情况 四川不锈钢多翼式风机调整 湖南不锈钢多翼式风机配套 吉林不锈钢多翼式风机有什么用 贵州不锈钢多翼式风机服务热线 天津不锈钢多翼式风机怎么做?

返回顶部

留言板

广州市万通通风设备有限公司

在线咨询

ONLINE CONSUL TATION