不锈钢保温风机-不锈钢离心风机-广州市万通通风设备有限公司

上一页下一页

联系我们

名称:广州市万通通风设备有限公司 电话: 手机: 传真: 邮箱:wantongfj@qq.com 网址: 地址:广州市番禺区沙湾镇动车街33号之二

不锈钢保温风机

您的位置: 首页 产品中心 不锈钢离心风机
产品详情
联系我们
  • 不锈钢4-72A\D型离心通风机

    不锈钢4-72A\D型离心通风机可输送空气和其他不自燃的、对人体无害的、对钢材无腐蚀性的气体。气体内不允许有粘性物质,所含尘土及硬质颗粒物不大于150mg/m。气体温度不得超过80℃。该风机广泛适用于工矿企业、大型建筑物、宾馆酒楼等室内通风换气排烟。
    产品型式:本公司号有NO2、2.5、2.8、3.2、3.6、4、4.5、5、5.6、6、7.1十一种。可制成右旋和左旋两种型式,叶轮顺时针旋转,称为右旋风机。以“右”表示,叶轮逆时针旋转,称为左旋风机,以“左”表示。风机的出口位置,以机壳的出风角度表示。4-72(No)2-7.1出厂时均做成多种型式,可根据使用单位要求安装成所需的位置,即出风口位置调整范围0°~225°间隔是22.5°或45°,即(0°、45°、90°、135°、180°、225°)共六种。风机的传动方式为A式。
    结构特点:本风机主要由叶轮、机壳、进风口、电机板等配直连电动机而组成。叶轮:由10个后倾斜的机翼型叶片、曲线型前盘和平板后盘组成。并经过动平衡校正,气动性能,故运转平衡、振动小、效率高、寿命长等特点。机壳:用钢板焊成蜗型壳体。进风口:制成整体(全部模具成型),装于风机的侧面,于轴向平行的戴面未曲线形状,能使气体顺利进入叶轮,且损失较小。
  • Stainless steel 4-72A\D centrifugal fan

    Stainless steel 4-72A\D centrifugal fan can transport air, non spontaneous gas, harmless gas. and non-corrosive gas Gas does not allow the sticky materian theconcentration of containing dust and nard particles isnot larger than 150mg!m3 The gas temperatureshould not exceed 80℃. The fan is widely used inthe ventilation of industrial and mining enterprises, large bulldings. hotels and other indoor places.
    Product type: The company has NO1, 2.5, 2.8, 3.2, 3.6, 4, 4.5, 5, 5.6, 6, 7.1. It can be made into two types: right-handed and left-handed. The impeller rotates clockwise and is called a right-handed fan. Expressed as "right", the impeller rotates counterclockwise, called the left-handed fan, and is represented by "left". The exit position of the fan is expressed by the air outlet angle of the casing. 4-72(No)2-7.1 is made in various types at the factory, and can be installed to the required position according to the requirements of the unit of use. That is, the position of the air outlet is adjusted from 0° to 225°, and the interval is 22.5° or 45°. There are six types (0°, 45°, 90°, 135°, 180°, 225°). The fan is driven in the A mode. Structural features: The fan is mainly composed of an impeller, a casing, an air inlet, a motor plate and the like with a direct-connected motor. Impeller: consists of 10 rear-tilted airfoil blades, curved front discs and flat rear discs. After dynamic balance correction and aerodynamic performance, it has the characteristics of balanced operation, small vibration, high efficiency and long service life. Housing: welded with a steel plate into a volute casing. Air inlet: made into a whole (all mold molding), installed on the side of the fan, the axially parallel wear surface has no curved shape, which enables the gas to smoothly enter the impeller with less loss.
机 号
Model(No)
转 速
Speed(r/min)
功 率
Power(Kw)
机座号
Poles frame size-p
流 量
Volume(M3/h)
全 压
Total pressure(pa)
2.5A 2900 0.75-2 80M-2 805-1677 792-483
2.8A 2900 1.5-2 90S-2 1131-2356 994-606
3.2A 2900 2.2-2 90L-2 1688-3517 1300-792
1450 1.1-4 90S-4 844-1758 324-198
3.6A 2900 3.0-2 100L-2 2664-5268 1578-989
1450 1.1-4 90S-4 1332-2634 393-247
4A 2900 5.5-2 132S-2 4012-7419 2014-1320
1450 1.1-4 90S-4 2006-3709 501-329
4.5A 2900 7.5-2 132S-2 5712-10562 2554-1571
1450 1.1-4 90S-4 2856-5281 634-416
5A 2900 15.0-2 160M-2 7728-15455 3187-2019
1450 2.2-4 100L-4 3864-7728 790-502
5.6A 1450 3.0-4 100L-4 7061-9885 957-759
6A 1450 4.0-4 112M-4 6677-13353 1139-724
960 1.5-6 100L-6 4420-8841 498-317
6.3A 1450 5.5-4 132S-4 8052-13028 1239-921
960 1.5-6 100L-6 5331-8626 542-403
7.1A 1450 11.0-4 160M-4 12676-20513 1572-1168
960 3.0-6 132S-6 8392-13581 689-512
6D 1450 4.0-4 112M-4 6677-13353 1572-1168
960 1.5-6 100L-66 4420-8841 498-317
8D 1450 18.5-4 180M-4 15826-29344 2032-1490
960 5.5-6 132M-6 10478-19428 887-651
730 3.0-8 132M-8 7968-14773 512-376
10D 1450 55-4 250M-4 40441-56605 3202-2532
960 18.5-6 200L-6 26775-37476 1395-1104
730 7.5-8 160L-8 20360-28497 805-637
12D 960 45.0-6 280S-6 46267-64759 2013-1593
730 18.5-8 225S-8 35182-49244 1160-919

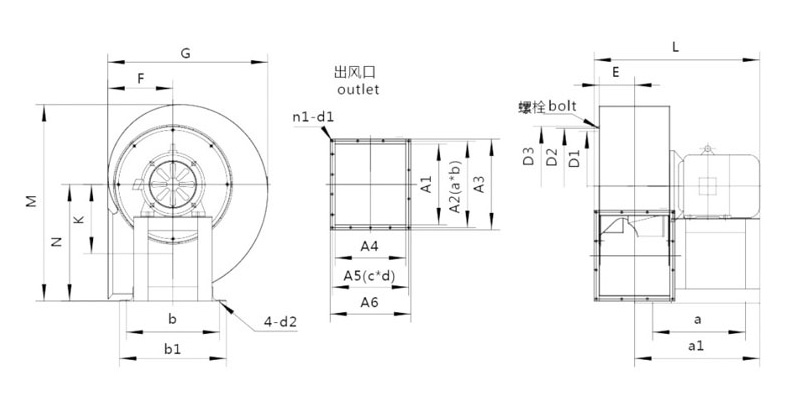
外形及安装尺寸示意图 Lnstallation size diagram

不锈钢离心通风机安装尺寸图

产品为人工实物测量会有一定误差,相关数据仅作参考,以收到的实物为准。 单位Unit: mm(毫米)

机号
进风口尺寸 Air inlet 出风口尺寸 Vent
NO D1 D2 D3 螺栓 个数 A1 A2 A3 A4 A5 A6 a*b c*d n1-d1
2.5 248 280 309 M6 8 209 237 266 171 200 228 79*3 100*2 10-Φ11
2.8 282 310 333 M6 8 228 259 286 200 228 260 64*4 77*3 14-Φ11
3.2 325 252 370 M6 6 255 286 313 218 247 280 74*4 84*3 14-Φ11
3.6 368 387 413 M8 16 294 324 352 250 278 310 81*4 70*4 16-Φ11
4 409 437 460 M8 16 329 360 388 285 315 340 72*5 79*4 18-Φ11
4.5 446 492 515 M8 16 363 395 422 320 348 380 78*5 88*4 18-Φ11
5 500 540 565 M8 16 405 435 464 356 384 416 109*4 97*4 18-Φ11
5.6 562 593 624 M8 16 450 497 531 370 422 485 80*6 88*5 18-Φ11
6 603 640 660 M8 16 483 532 563 427 478 508 106.4*5 95.6*5 20-Φ11
6.3 640 667 698 M8 16 494 542 566 441 485 509 108*5 97*5 20-Φ11
7.1 730 755 795 M8 16 568 621 662 497 554 593 125*5 110*5 20-Φ11


机号
外形及安装尺寸 Shape and installation dimensions
Model G M F L N K E a b a1 b1 d2
2.5 416 520 171 450 320 175 88 200 225 260 250 Φ10
2.8 477 600 210 480 350 197 174 100 256 320 280 Φ10
3.2 546 670 236 530 400 230 195 110 255 340 280 Φ10
3.6 599 752 253 600 450 253 222 123 275 360 300 Φ10
4 680 810 295 700 500 312 251 140 370 410 406 Φ10
4.5 756 925 327 733 570 354 312 157 370 430 406 Φ12
5 825 1040 343 860 625 354 354 175 440 530 480 Φ12
5.6 916 1130 384 746 680 390 394 196 380 500 430 Φ12
6 980 1210 408 740 745 420 385 210 375 450 420 Φ12
6.3 1017 1300 432 915 790 440 411 220 480 630 520 Φ15
7.1 1202 1450 522 1040 880 795 500 252 440 700 490 Φ15

欢迎进入“万通风机”官方网站

Welcome to Wantong Xingfeng official website

万通风机

广州市万通通风设备有限公司

广州市万通通风设备有限公司(注册商标:万通星风)是一家研发、生产、销售、安装通风设备、大气污染防治设备的多元化专业性企业。产品广泛用于:电镀、化工、电子、电气、线路板、机械、电站、电厂、科研、医院、实验室、矿业、冶炼、橡胶、林业、皮革、纸业、陶瓷、模具车间、汽车制造,新能源机械等配套以及各种含有腐蚀性气体的场合。每一个产品都见证了万通的品质,让万通立足全国,走向世界!经过十几年发展“万通星风”已汇聚了一群技术精湛,经验丰富的专业技术人员,引进消化国内外先进技术,是国内拥有自主研发大气污染防治设备、防腐风机能力的厂家。“国际品质、万通打造”

全国服务热线:


广州总公司

Guangzhou General Corporation

销售电话:    

官方网址:

电子邮箱:wantongfj@qq.com

在线QQ客服:万通在线客服 万通在线客服

地址:广州市番禺区沙湾镇动车街33号之二

路线:广州地铁3号线到番禺广场站下,换乘公交车番68路、到古东村总站下。


公司地图


Company map

 
关键词:

咨询:CF4-72型不锈钢保温风机

* 为必填项

  • *
广西不锈钢保温风机厂家 东南亚不锈钢保温风机型号 贵州不锈钢保温风机报价 重庆不锈钢保温风机价格 云南不锈钢保温风机分类 青海不锈钢保温风机哪家好 东南亚不锈钢保温风机批发 浙江不锈钢保温风机定制 安徽不锈钢保温风机系列 江西不锈钢保温风机品牌 云南不锈钢保温风机牌子 山东不锈钢保温风机应用 重庆不锈钢保温风机生产 山西不锈钢保温风机排名 内蒙古不锈钢保温风机供应商 内蒙古不锈钢保温风机订制 吉林不锈钢保温风机多少钱 上海不锈钢保温风机质量 黑龙江不锈钢保温风机生产厂家 东南亚不锈钢保温风机生产厂 天津不锈钢保温风机产品 天津不锈钢保温风机标准 其它不锈钢保温风机优势 湖北不锈钢保温风机画册 河南不锈钢保温风机名称 湖北不锈钢保温风机用途 湖南不锈钢保温风机企业 上海不锈钢保温风机功能 北京不锈钢保温风机属性 海南不锈钢保温风机简介 甘肃不锈钢保温风机新产品 福建不锈钢保温风机万通造 安徽不锈钢保温风机选型 贵州不锈钢保温风机规格 陕西不锈钢保温风机样本 海南不锈钢保温风机技术 北京不锈钢保温风机新闻 其它不锈钢保温风机报价单 山东不锈钢保温风机参数 江苏不锈钢保温风机行业 河北不锈钢保温风机好东西! 湖北不锈钢保温风机销售 贵州不锈钢保温风机样品 天津不锈钢保温风机用什么做的? 黑龙江不锈钢保温风机哪个牌子好 上海不锈钢保温风机设计方案 甘肃不锈钢保温风机哪家信誉好 浙江不锈钢保温风机直销 吉林不锈钢保温风机生产工艺 内蒙古不锈钢保温风机外观 江西不锈钢保温风机优点 青海不锈钢保温风机特点 河南不锈钢保温风机有限公司 重庆不锈钢保温风机安装图 浙江不锈钢保温风机名称 天津不锈钢保温风机销售网站 内蒙古不锈钢保温风机厂家排名 吉林不锈钢保温风机外壳 内蒙古不锈钢保温风机叶片 上海不锈钢保温风机风轮 四川不锈钢保温风机尺寸 内蒙古不锈钢保温风机说明书 青海不锈钢保温风机检测报告 山东不锈钢保温风机图纸 其它不锈钢保温风机图片 安徽不锈钢保温风机用途 北京不锈钢保温风机维修 四川不锈钢保温风机更换 湖北不锈钢保温风机品种 江苏不锈钢保温风机改良 福建不锈钢保温风机噪音 东南亚不锈钢保温风机启动 云南不锈钢保温风机运转 黑龙江不锈钢保温风机推荐 山西不锈钢保温风机那家便宜 广西不锈钢保温风机那家质量好 贵州不锈钢保温风机电话咨询 广西不锈钢保温风机标准 天津不锈钢保温风机哪家靠谱 海南不锈钢保温风机是什么? 云南不锈钢保温风机哪家有实力 河南不锈钢保温风机哪家正规 重庆不锈钢保温风机大厂 辽宁不锈钢保温风机推广 吉林不锈钢保温风机哪家实惠 其它不锈钢保温风机哪里专业 安徽不锈钢保温风机电话多少 广西不锈钢保温风机电话号码 河北不锈钢保温风机哪家值得信赖 西藏不锈钢保温风机你知道吗? 湖北不锈钢保温风机专业定制 新疆不锈钢保温风机哪家强 黑龙江不锈钢保温风机免费咨询 江西不锈钢保温风机寿命 江西不锈钢保温风机包装 辽宁不锈钢保温风机设备 河南不锈钢保温风机使用情况 青海不锈钢保温风机调整 福建不锈钢保温风机配套 广东不锈钢保温风机有什么用 贵州不锈钢保温风机服务热线 海南不锈钢保温风机怎么做?

返回顶部

留言板

广州市万通通风设备有限公司

在线咨询

ONLINE CONSUL TATION